Luristan Swords

IMAS 9

Note: The “Lurtistn Sword” paged will be formatted somewhat differently (simpler) than the rest. As I grew older, my eyes deteriorated to a point where I can just barely type stuff in my html editor. I apologize for typos and perfectly spelled but wrong words produced by the erroe correction without me noticing.
Transferred to Royal Museums of Art and History
Link to high resolution pictures (scoll down)
 
Some Detasl from the "Project"
     Schwert IR3743
Bezeichnung Antrag: Luri 2;

Altersbestimmung:
C-Konzentration C14 Probe: 0.38 % C14 Alter: 1427 – 1303 calBCE

Metallographie:
Poliert, Nital und Oberhoffer geätzt Ca. 220 Bilder im Lichtmikroskop
Ca. 50 Bilder im REM, inkl. div. EDX Analysen. T

ypisches Rennofeneisen, inhomogene Struktur und C-Verteilung (Fig. 2); Globularer Zementit, keine Härtung, Verformung durch (Kalt?) Schmieden. Keine Hinweise auf Feuerschweißen.

Erhebliche Schlackeneinschlüsse (Fig. 3). Merklicher Ca Gehalt bei niedrigem K-Gehalt (Verhüttung mit Kalk?).

Härte zwischen 100 und 200 mHV.
 
IMAS 9 was one of the three swords that we for a C14 age analysis. The link tells you how that works.
A small piece was cut off, its structure determined by metallurgy, and then used for the C14 analysis.
The age found (see above) was

1427 – 1303 BC

That, to all of our knowledge, is far too old. What happened?
Easy to see. The C14 age determination gives the age of the carbon found inside the iron. If that carbon originated form the charcoal used for smelting the iron, its age qwould be sufficientlyx close to the age of the iron / sword.
 

However!

The iron ore or in the materials used for the smelter might contain carbonates; i.e. the CaCO3 of limestone or iron ore in the form of iron carbonate, FeCO3. The carbon in these minerals is extremely old and if some of it gets into the smelted iron, the mix of mineral carbon and charcoal carbon would always give an age large than that of the charcoal carbon.
The results thus must be seen as only giving a limit to the age of the sword, It always could be younger than the number found, but never older.
 
1.2 Illustrationsbilder zur Metallographie
 
Fig. 1-2: Schwert IR3743. Übersicht der Nital-geätzten Probe. Aus zahlreichen Einzelbildern zusammengesetzt.
 
 
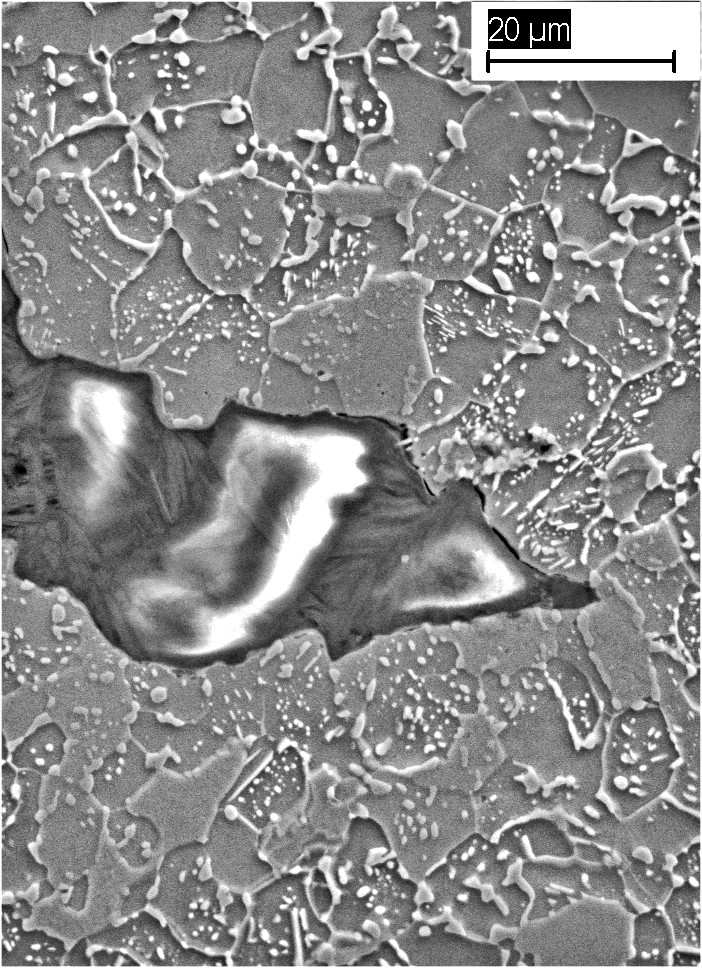
Fig. 1-3: Schwert IR3743. REM Aufnahme. Großer Schlackeneinschluss und globularer Zementit.
1.3 Daten zur Altersanalyse
 
Where the samples came from
 
Refer to the project reports and other data given here for more details.
 

With frame With frame as PDF

go to First Iron Swords - Provenance Problems

go to First Iron Swords - Bi-Metal Swords

go to First Iron Swords - Bi-Metal Swords

go to First Iron Swords - Double-Disc Hilt Sword

go to First Iron Swords - Large Pictures

go to First Iron Swords - First Iron Swords - Hallstatt Swords

go to Scythian Special Large Pictures

go to Luristan Special

go to Radiocarbon (C14) Dating

go to First Iron Swords - Miscellaneous Objects

go to First Iron Swords - Places

go to First Iron Swords - Literature Digest

go to Large Pictures - Chapter 11.1

go to First Iron Swords - Luristan Type 1 Iron Swords

go to First Iron Swords - Luristan Type 2 Iron Swords

go to First Iron Swords - Bi-Metal Swords; Details

go to First Iron Swords - Luristan Type 1 Iron Swords

go to First Iron Swords - Reliefs / Sculptures with Swords and Daggers

© H. Föll (Iron, Steel and Swords script)