Luristan Swords

IMAS 10

Note: The “Lurtistn Sword” paged will be formatted somewhat differently (simpler) than the rest. As I grew older, my eyes deteriorated to a point where I can just barely type stuff in my html editor. I apologize for typos and perfectly spelled but wrong words produced by the erroe correction without me noticing.
Transferred to Royal Museums of Art and History in Brussels
High resolution pictures in this link
 
 
 
Details
Darta from the "Project"
3. Schwert IR 3745 (=IMAS 10) Seee Projcet, A Abschlussbericht 3.1 Übersicht
Fig. 3-1: Schwert IR3745 mit Hauptdaten.
     IR3745
Bezeichnung Antrag: Luri 3

Altersbestimmung:
C-Konzentration C14 Probe: 0.01 %; für Altersbestimmung grenzwertig.
C14 Alter: 1745 – 1533 calBCE

Metallographie:
Poliert, Nital und Oberhoffer geätzt Ca. 260 Bilder im Lichtmikroskop 3 Bilder im REM, 12 EDX Analysen.

Typisches Rennofeneisen, inhomogene Struktur mit Zonen verschiedener Mikrostruktur; globulare und ungewöhnliche Zementitstrukturen. Keine Härtung; erhebliche Verformung durch Schmieden.

Erhebliche Schlackeneinschlüsse. Merklicher Ca Gehalt bei niedrigem K-Gehalt (Verhüttung mit Kalk?).

Härte zwischen 100 und 185 mHV
     
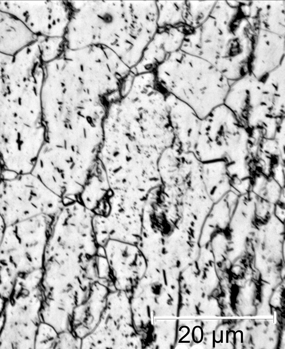
3.2 Illustrationsbilder zur Metallographie
Fig. 3-2: Schwert IR3745. Übersicht der Nital geätzten Probe und Angaben zu weiteren Messungen.
Itss a cross-section of the blade. With hindsight; this does suggest a finely layered strucure as in IMAS 8.
 
Fig. 3-3: Schwert IR3745. REM Aufnahmen ungewöhnlicher Zementit Strukturen.
 
Fig. 3-4: Schwert IR3745.Unklare Struktur (P- Ausscheidungen?).
 
3.3 Daten zur Altersanalyse
Fig. 3-5: Fig. 4-4: IR 3745 C14 IR 3746 Daten mit Kalibrierungskurve.
IMAS 10 was one of the three swords that we for a C14 age analysis. The link tells you how that works.
A small piece was cut off, its structure determined by metallurgy, and then used for the C14 analysis.
The age found (see above) was

1745 – 1533 BCE

However!

The iron ore or in the materials used for the smelter might contain carbonates; i.e. the CaCO3 of limestone or iron ore in the form of iron carbonate, FeCO3. The carbon in these minerals is extremely old and if some of it gets into the smelted iron, the mix of mineral carbon and charcoal carbon would always give an age large than that of the charcoal carbon.
The results thus must be seen as only giving a limit to the age of the sword, It always could be younger than the number found, but never older.

For some swords used in the “Luristan project”, large scale pictures have been made which I will show here top preserve them for eternity. They are shown only ¼ of their original size. You can restore the original size by copying the picture and inserting it into some image processor.

These pictures show an unusual feature:
 
 
The “grip” of the hilt shows some texture (banding) that I have never seen with other INAS.
Our original thoughts: The hilt most probably contains the largest amounts of preserved iron. But as it also shows remnants of an organic grip binding preserved in corrosion products, it should not be sampled.
The blade is heavily corroded, the samples for AMS dating have to be taken out of its the centre because only here larger amounts of preserved iron are to be expected. So it is planed to cut out three whole cross sections, one for dating in Kiel, one for dating in Finland and one for metallography.
 

With frame With frame as PDF

go to Luristan Special

go to Large Pictures - Chapter 11.1

go to First Iron Swords - Luristan Type 1 Iron Swords

© H. Föll (Iron, Steel and Swords script)